PEI están construidos con dieléctrico de película de poliéster, electrodo de lámina de aluminio, cobre estañado o cables CP y revestimiento de resina epoxi de tipo inductivo. Es ideal para usar en instrumentos comerciales, industriales y de medición.
★ Alta precisión y estabilidad de la capacitancia.
★ bajo DF y alto IR.
★ El revestimiento de resina epoxi mejora la resistencia mecánica y la resistencia a la humedad.
Taping Reel, BOX
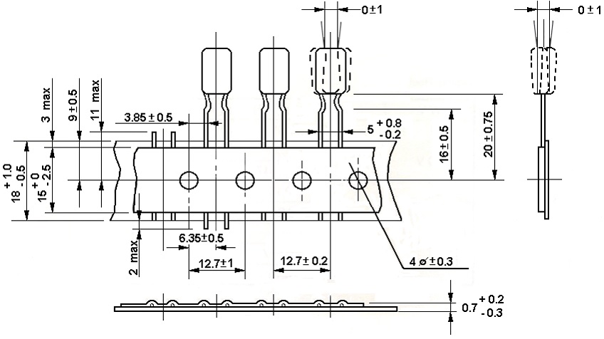
Cut Lead
Long Lead
1. Tape Dimension
2. Cuting & Forming
3. Packing Q'ty