Quiénes somos
Productos
Condensador especial
Condensador de funcionamiento del motor
Condensadores de película de poliéster metalizado
Condensador miniatura
Condensador de iluminación
Resistor de película de metal y condensador de cerámica
Condensador refrigerado por conducción
nuevos productos
Nuevos Productos
Agente
Contáctenos
EN
中文
español
Productos
Home
>
Productos
>
nuevos productos
> DPT
DPT
Encuesta
anterior
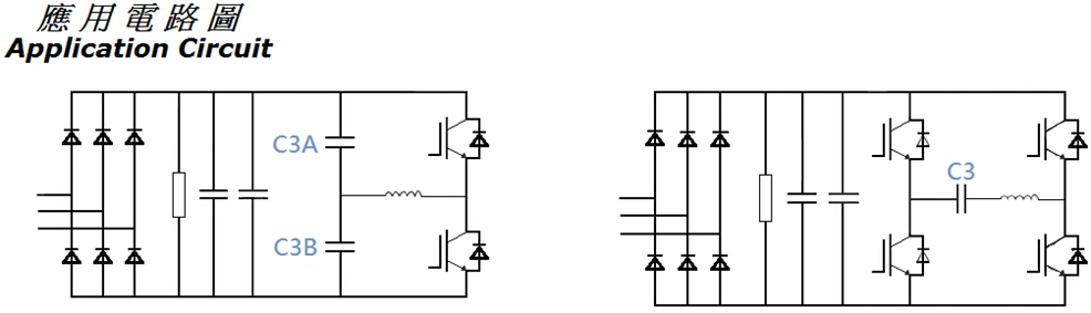
CARACTERÍSTICAS TÉCNICAS GENERALES
Dieléctrico
Película de polipropileno
Construcción
Construcción seca, llena de resina sólida
Tipo no inductivo
Caso
Construcción seca
Conductores
Insertado a mano con relleno M6 o M8 con resina
CARACTERÍSTICAS ELECTRICAS
TeGperatura de trabajo
- 40 a + 85 ℃
Capacidad
0.04 a 6μF
Voltaje nominal
1200 ~ 5000Vdc
Tolerancia
± 5%, ± 10%
Factor de disipación
Geasured a 1000 ± 20 Hz Y 25 ± 5 ℃.
Cuando Cr≤1.0μF, 4 × 10-4;
Cuando Cr> 1.0μF, 6 × 10-4
Esperanza de vida
10,000 horas en Un y 70 ℃
(Temperatura del punto de acceso)
ENSAYOS DE PRUEBAS Y PERFORGANCIAS
Resistencia dieléctrica
1.5Ur (DC) aplicado por 10 segundos a 25 ± 5 ℃
(1 Ginute para prueba de tipo)
Tensión de prueba terminal a la caja
3000Vac, (10s 50Hz 20 ± 5 ℃)
Resistencia de aislamiento
5000 s pero no debe exceder 30 GΩ
(valor típico), después de 1 Ginute de
electrificación a 100 Vcc (25 ± 5 ℃)
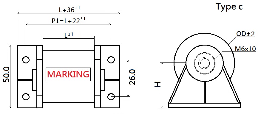
Electrical specifications, ordering codes
Part Number
CAP
μF
Dimension (mm)
dv/dt
(V/µs)
Ipeak
A
'ESR@
1.0kHz
Irms@25C
@10kHz
L
D
T
Output
Un5000Vdc Urms 2000Vac
DPT403K3H00
0.04
54
58
5
M6
3000
120
2.2
35
DPT603K3H00
0.06
54
66
5
M6
3000
180
2.2
45
DPT803K3H00
0.08
54
58
5
M6
3000
240
2.2
45
DPT124K3H00
0.12
54
70
5
M6
3000
360
2
50
DPT144K3H00
0.14
54
76
5.5
M6
3000
420
1.8
58
DPT204K3H00
0.2
54
90
5.5
M8
3000
600
1.6
65
DPT224K3H00
0.22
54
94
5.5
M8
3000
660
1.5
70
Un6000Vdc Urms 3000Vac
DPT103K3J00
0.01
55
30
5
M6
3500
35
2
30
DPT104K3J00
0.1
55
38
5
M6
3500
350
2
40
DPT224K3J00
0.22
55
58
5
M6
3500
770
2
50
DPT334K3J00
0.33
55
63
5
M6
3500
1155
2
60
Electrical specifications, ordering codes
Part Number
CAP
μF
Dimension (mm)
dv/dt
(V/µs)
Ipeak
A
'ESR@
1.0kHz
Irms@25C
@10kHz
L
D
T
Output
Un1200Vdc Urms 500Vac
DPT105K3B00
1
37
35
5
M6
1100
1100
2.3
30
DPT155K3B00
1.5
37
42
5
M6
1100
1650
2.2
35
DPT205K3B00
2
37
48
5
M6
900
1800
2.1
40
DPT225K3B00
2.2
37
50
5
M6
900
1980
2.1
43
DPT305K3B00
3
37
58
5
M6
800
2400
1.8
47
DPT335K3B00
3.3
37
61
5
M6
800
2640
1.7
50
DPT405K3B00
4
37
67
5
M6
600
2400
1.6
56
DPT475K3B04
4.7
37
73
5
M6
600
2820
1.5
62
DPT505K3B00
5
37
76
5.5
M6
600
3000
1.4
65
DPT605K3B00
6
37
82
5.5
M6
600
3600
1.2
75
Un2000Vdc Urms 750Vac
DPT224K3D00
0.22
37
38
5
M6
1500
330
2.8
27
DPT304K3D00
0.3
37
38
5
M6
1500
450
2.7
30
DPT334K3D00
0.33
37
38
5
M6
1500
495
2.7
32
DPT404K3D00
0.4
37
43
5
M6
1500
600
2.7
36
DPT444K3D00
0.44
37
45
5
M6
1500
660
2.6
38
DPT474K3D00
0.47
37
46
5
M6
1500
705
2.6
40
DPT604K3D00
0.6
37
51
5
M6
1500
900
2.5
45
DPT704K3D00
0.7
37
55
5
M6
1500
1050
2.4
48
DPT904K3D00
0.9
37
62
5
M6
1100
990
2.3
52
DPT105K3D00
1
37
65
5
M6
1100
1100
2.2
55
Un3000Vdc Urms 1200Vac
DPT204K3DF00
0.2
40
43
5
M6
1800
360
2.8
32
DPT304K3DF00
0.3
40
52
5
M6
1800
540
2.6
38
DPT404K3DF00
0.4
40
62
5
M6
1800
720
2.5
45
DPT474K3DF00
0.47
40
65
5
M6
1800
792
2.5
48
DPT604K3DF00
0.6
40
73
5
M6
1500
900
2.2
50
DPT654K3DF00
0.65
40
76
5.5
M6
1500
975
2.1
60
DPT704K3DF00
0.7
40
79
5.5
M6
1500
1050
2
65
VOLVER A LA LISTA